Po 10 letech existence se tým MOTOKOLARI.CZ rozhodl toto fórum vypnout a síly přesměrovat pouze na FACEBOOK. Důvodem je zejména nárůst spamových útoků, na což už prostě nikdo z nás nemá energii.
UPOZORNĚNÍ: od 31. 1. 2026 nelze vytvářet nové registrace!
UPOZORNĚNÍ: od 1. 1. 2027 dojde k vypnutí fóra!

rozeta

Diskuze nad technickými problémy

Moderátoři: j-z, Velkocus

Odpovědět
ancistrus
Příspěvky: 5
Registrován: ned 06. srp 2017 21:01:53

rozeta

Příspěvek od ancistrus »

Zdravim všechny kutily.Mám obavy při výměně rozety z menší na větší aby mi nechytal řetěz o vidlici.Může mi někdo poradit jak toho docílit aby nechytala? Mám tam zatim rozetu o 46 zubech a občas chytne za vidlici.
Rada
Příspěvky: 14
Registrován: pon 29. kvě 2017 21:11:52

Re: rozeta

Příspěvek od Rada »

Zdravím, montoval jsem 56 na klasický rám, musíte dát napínák co nejblíže k rozetě, také pomůžou podložky mezi zadní náboj a vidlici, stačí do 4mm, moc bych tu vidlici nenapínal, mohlo by to začít praskat u sváru, záleží jak máte dlouhý řetěz, mě stačil ten původní, ale mám to akorát, aby mi nechytal, je to třeba vyzkoušet a případně koupit delší.
Fanda
Příspěvky: 49
Registrován: pon 27. bře 2017 12:11:32
Kraj: Hlavní město Praha
Počet motokol: 1

Re: rozeta

Příspěvek od Fanda »

Podložky asi budou nutnost. Tomu se nevyhneš. Já to řešil celou novou osou, za 80 kč a mám klid...
OkurRo
Příspěvky: 11
Registrován: čtv 21. zář 2017 19:38:53

Re: rozeta

Příspěvek od OkurRo »

Zdravím motokolaři,
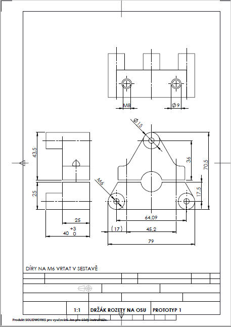
měl jsem již několik problémů s původním uchycením zadní rozety, kdy výplet dostává slušně zabrat při každém startu, což způsobuje velice rychle deformaci drátů výpletu. Tedy možnosti řešení o kterých vím jsou všechny podobného rázu a to přenést zatížení na osu - tyto řešení jsou však u nás poněkud drahé a mnohdy i špatně dostupné a né vždy profesionální. Mé řešení - vlastní uchycení inspirované poměrně rozšířeným návrhem:
http://www.ebay.com/itm/CNC-36T-Sprocke ... 1438.l2649
Popřípadě pro ty s CNC frézkou mám .dxf a .sldprt
https://www.dropbox.com/s/95770stz4c1en ... LDPRT?dl=0
https://www.dropbox.com/s/z42ms50owtig7 ... r.DXF?dl=0
Přílohy
2017-10-13 21.26.47.jpg
2017-10-15 21.34.38.jpg
Výkres prototypu
Výkres prototypu
Screenshot 2017-10-15 22.21.26.png (30.68 KiB) Zobrazeno 6330 x
2017-10-15 21.32.15.jpg
RBMK
Příspěvky: 90
Registrován: pon 11. zář 2017 13:49:40
Kraj: Středočeský
Počet motokol: 1

Re: rozeta

Příspěvek od RBMK »

To je 3Dtisk nebo z CNC? jaký materiál? Pro zájemce můžu vytisknout z PET-G.
OkurRo
Příspěvky: 11
Registrován: čtv 21. zář 2017 19:38:53

Re: rozeta

Příspěvek od OkurRo »

tohle je 3D tisk z PLA, bylo to spíše na odzkoušení, v tuto chvíli jednám o vyfrézování z nylonu. Popřípadě kdo by to chtěl zkusit tištěné, tady je soubor, který jsem tisknul. Věřím že při vhodném nastavení a materiálu by to mohlo sloužit. Test s tímto PLA dílem hodlám však také brzy provést
https://www.dropbox.com/s/lhkc8ql39z4sq ... 1.STL?dl=0
https://www.dropbox.com/s/3joi45tmxj0wz ... y.STL?dl=0
Kus5
Příspěvky: 271
Registrován: sob 12. kvě 2018 15:12:56

Re: rozeta

Příspěvek od Kus5 »

Podívejte se na vlákno Volnoběžka a karbec. Tím se vše pořeší.
Jindra128
Příspěvky: 15
Registrován: stř 18. dub 2018 22:33:35

Re: rozeta

Příspěvek od Jindra128 »

Zdravím kolik by stálo udělat takovej úchyt?
Odpovědět