Po 10 letech existence se tým MOTOKOLARI.CZ rozhodl toto fórum vypnout a síly přesměrovat pouze na FACEBOOK. Důvodem je zejména nárůst spamových útoků, na což už prostě nikdo z nás nemá energii.
UPOZORNĚNÍ: od 31. 1. 2026 nelze vytvářet nové registrace!
UPOZORNĚNÍ: od 1. 1. 2027 dojde k vypnutí fóra!

CDI

Elektroporadna

Moderátor: j-z

Uživatelský avatar
Tor158
Příspěvky: 571
Registrován: pát 12. pro 2014 19:42:45

CDI

Příspěvek od Tor158 »

Zde se ptejte na problémy s CDI a jiskrou.
Uživatelský avatar
Tor158
Příspěvky: 571
Registrován: pát 12. pro 2014 19:42:45

Re: CDI

Příspěvek od Tor158 »

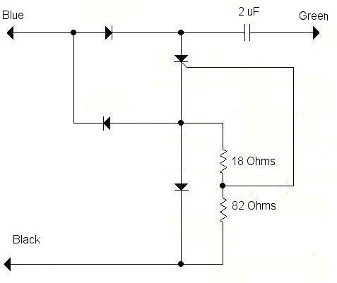
V černé tajemné krabičce se skrývá naše CDI.Je to samozřejmě
poněkud honosný název pro obyčejné magnetoelektrické zapalování.
Jedná se o tyristorový typ.
K Funkci: Diodová logika směruje kladné a záporné periody.
Kladnou periodou nabijem kondenzátor.
Zápornou aktivujem časovač.
Po dosažení určitého napětí se odpálí Tyristor.
Obsah kondenzátoru se vybije do cívky a přeskočí jiskra.
To se opakuje každou otočku.
Jak to vypadá vydíte na osciloskopu.Tor.
Přílohy
CDI orig – kopie.jpg
CDI.JPG
CDI 2.JPG
Uživatelský avatar
j-z
Administrátor
Příspěvky: 785
Registrován: ned 06. črc 2014 13:47:50
Kraj: Hlavní město Praha
Počet motokol: 1
Fotky: http://www.motokolari.cz/app.php/gallery/album/4

Re: CDI

Příspěvek od j-z »

Uauh, to je pro mě španělská vesnice. Asi i proto jsem vydržel na FELu jen necelej semestr :? .
j-z (Jiří) | admin@motokolari.cz
Ne všemu rozumím, ale vždy rád poradím
petrn
Příspěvky: 19
Registrován: ned 05. říj 2014 13:32:52

Re: CDI

Příspěvek od petrn »

I tak je to možný
Uživatelský avatar
Tor158
Příspěvky: 571
Registrován: pát 12. pro 2014 19:42:45

Re: CDI

Příspěvek od Tor158 »

No tak vidíte jak to vypadá.V CDI je tedy kondenzátor,časovač,civka.
Logiku mužete zmenšit na minimum,kondenzátor a civku ne.
Takže černá krabička je kompromis mezi velikostí a spolehlivostí.
Každé je jiné.Těm kterým nechce motor chytit studený má vadný kondenzátor.
Těm kterým to vynechává ve vysokých otáčkách ten má problémy s logikou
a tyristorem.Cesta ven je externí zapalováníNic neni karburátorem.Tor.
Uživatelský avatar
j-z
Administrátor
Příspěvky: 785
Registrován: ned 06. črc 2014 13:47:50
Kraj: Hlavní město Praha
Počet motokol: 1
Fotky: http://www.motokolari.cz/app.php/gallery/album/4

Re: CDI

Příspěvek od j-z »

Tor158 píše:...
Těm kterým to vynechává ve vysokých otáčkách ten má problémy s logikou
a tyristorem...
Aha, dík za info. To je asi moje porucha, posledních pár měsíců mi funguje právě tento rychlostní omezovač, nad 35km/h to přestane táhnout. Co s tím? Nové CDI?
j-z (Jiří) | admin@motokolari.cz
Ne všemu rozumím, ale vždy rád poradím
Uživatelský avatar
Tor158
Příspěvky: 571
Registrován: pát 12. pro 2014 19:42:45

Re: CDI

Příspěvek od Tor158 »

j-z píše:
Tor158 píše:...
Těm kterým to vynechává ve vysokých otáčkách ten má problémy s logikou
a tyristorem...
Aha, dík za info. To je asi moje porucha, posledních pár měsíců mi funguje právě tento rychlostní omezovač, nad 35km/h to přestane táhnout. Co s tím? Nové CDI?
Samozřejmě to muže být CDI.Pokud to vynechává a tarokuje tak je nakoplá
logika zápalu.Pokud jde dolů tah ale běží to dobře je problém ze sílou jiskry
(vadný kondenzátor) nebo předstih.Takže zkusit vyměnit CDI.Podíval bych se
i na magneto.Předstih je řízen výškou napětí.Takže MAG musí dávat primárně
co nejvyšší napětí.Pak jde předstih dobře proti pístu.To je základ.Časem to seřízení
MAGU popíšu.
petrn
Příspěvky: 19
Registrován: ned 05. říj 2014 13:32:52

Re: CDI

Příspěvek od petrn »

toto šlape dobře a cívkou od hondy CR80
RO CDI.jpg
RO CDI.jpg (15.86 KiB) Zobrazeno 86968 x
Uživatelský avatar
Tor158
Příspěvky: 571
Registrován: pát 12. pro 2014 19:42:45

Re: CDI

Příspěvek od Tor158 »

To jsi jenom stahnul.Nebo Ti to někdo za prachy udělal?Proč jsou tam ty 2 mikroˇ?Jakej to má důvod?Bude
to chodit, ale každému jinak Hlavně nepiš Jaguár.Popiš jak to pracuje.Cívka na to nemá vliv.Proč je tam ten dělič??-Takže popiš.Já jsem dal průběhy.TOR.
Martin
Příspěvky: 70
Registrován: stř 09. črc 2014 17:00:33
Kraj: Zlínský
Počet motokol: 1

Re: CDI

Příspěvek od Martin »

Tor: elektrika je mimo mne ale chci se zeptat jestli nějak moc ovlivňuje chod zapalování údajně odrušení ve faji a v zapal.svíčce
máš vyrobené svoje zapalování které ti funguje? Já jsem chtěl původní demontovat a upravit dát jiné jako celoblok a vytáhnout kabel přes blok na svíčku mají to tak novější motory na e.darkách
Uživatelský avatar
Tor158
Příspěvky: 571
Registrován: pát 12. pro 2014 19:42:45

Re: CDI

Příspěvek od Tor158 »

Když máš fajfku s odporem tak je slabší jiskra.Nejlepší je neodrušená z babety.
Takže bez odporu.
Ano, používám své externí zapalování.Je to bloček na rámu,jako to černé.
Musíš mít externí cívku.To má výhody silné jiskry.Je tam nastavitelný
předstih.Magneto je původní.Srdcem zapalování je dobře seřízené magneto.
To bohužel má málokdoProto to nestartuje, prská a netahne.Tor.
petrn
Příspěvky: 19
Registrován: ned 05. říj 2014 13:32:52

Re: CDI

Příspěvek od petrn »

ne , to je snad to nejjednodušší co jsem našel, za pár kaček si to udělá každý. hodnoty by měli většině vyhovovat. kondik dělá vybíjecí čas , můžete zkusit 1-4M . ale to určitě víš. místo děliče dát asi 100ohmový trimr a ladit podle ucha. ( osciláč nemám a kvuli motokolu si to kupovat nebudu)
Uživatelský avatar
Tor158
Příspěvky: 571
Registrován: pát 12. pro 2014 19:42:45

Re: CDI

Příspěvek od Tor158 »

Kondenzátor určitě vybíjecí čas nedělá a s tím děličem a trimrem
bych byl opatrnější.Velikost kondenzátoru je celkem diskutabilní.
Pokud si někdo myslí že dá vyšší kondenzátor a že mu to lépe pojede,
tak je na velkém omylu.Tor nic podle ucha nešteluje.Nejdřív si to ověří
a nepublikuje stažené polopravdy.Takže když nevim ,tak se zeptám.
Dříve, než by to spatřilo světlo publicity(v této podobě) tak by to zredigoval diplomovaný technik
Řekl by:/Tohle pustit ven nemužeme/.Takže pitomosti se prostě nepublikovaly.Tor
petrn
Příspěvky: 19
Registrován: ned 05. říj 2014 13:32:52

Re: CDI

Příspěvek od petrn »

čím větší kondík, tím se déle vybíjí. to neznamená že dlouhá vybíjecí doba je dobrá, musí být akorát. trimrem si našteluješ spínání tyristoru . záleží i na cívce, třeba s Kawasaki to tak neběhalo jako s Hondou, (aspoň mě)to není stažená polopravda , funguje to. jestli ty si to vše nejdřív ověříš na tebou nevymyšlených přístrojích tak jsi nic. objev si svoje fyz. zákony,popiš si je , diplomuj se a udělej si svoje přístroje . používáš jenom to co vymysleli druzí.
a když už by někde měl něco psát diplomovaný technik- můžete si ho klidně zaplatit :))))) jestli bude ochotný seriozně se věnovat takovým sračkám. už jen z hlediska bezpečnosti by tento motor neměl být instalován nikde.
a ten kdo toto v takovém stavu vyrábí i prodává je lump a odvodník. v opačném případě bychom nemuseli každou blbost předělávat.
Naposledy upravil 1 dne petrn; celkem upraveno 0x.
petrn
Příspěvky: 19
Registrován: ned 05. říj 2014 13:32:52

Re: CDI

Příspěvek od petrn »

ostatně je možno koupit u gasbik.net cdi s externí cívkou, (i s poštovným se to dá přežít )a tam je to detailně technicky diplomovaně erudovaně nediskutabilně popsané vypuštěné a nepitomě publikované. případné doplnění a dovysvětlení jak to funguje můžeš konstultovat tam, nebo lépe v asii. tam jim piš jak se co má dělat a publikovat nepitomosti.
nemusím si tady hrát na odborný web. dělal jsem letecké trenažery i laserové zaměřovače , pročetl mnoho odborných statí a spolehni se že tam bylo pitomostí dost a dost .
mezi odbornou publikací a příspěvkem na zájmovém webu je ten, že praktický příspěvek může pomoci.

myslím že si se svými schopnostmi zasloužíš vlastní web.

i z toho jaguara vypadlo aspoň něco.
koblizek
Příspěvky: 103
Registrován: čtv 10. črc 2014 14:16:17

Re: CDI

Příspěvek od koblizek »

Přiznám se že tohle je pro mě španělská vesnice a jak vidno tady se ničeho praktického nedočkáme asi to budu řešit koupí hotového - hluboce se za to stydím . Nicméně jsem se tady královsky pobavil a to za to stojí :-)
Uživatelský avatar
Tor158
Příspěvky: 571
Registrován: pát 12. pro 2014 19:42:45

Re: CDI

Příspěvek od Tor158 »

petrn píše:ostatně je možno koupit u gasbik.net cdi s externí cívkou, (i s poštovným se to dá přežít )a tam je to detailně technicky diplomovaně erudovaně nediskutabilně popsané vypuštěné a nepitomě publikované. případné doplnění a dovysvětlení jak to funguje můžeš konstultovat tam, nebo lépe v asii. tam jim piš jak se co má dělat a publikovat nepitomosti.
nemusím si tady hrát na odborný web. dělal jsem letecké trenažery i laserové zaměřovače , pročetl mnoho odborných statí a spolehni se že tam bylo pitomostí dost a dost .
mezi odbornou publikací a příspěvkem na zájmovém webu je ten, že praktický příspěvek může pomoci.

myslím že si se svými schopnostmi zasloužíš vlastní web.

i z toho jaguara vypadlo aspoň něco.
No dobře,Nic nekupuju.(mimo motor)Zdá se mi ale že jsi ztratil nervy.Taky jseš dobrej
polistopadovej kluk .Všechno koupíš a nic nevymyslíš.Něco Ti řeknu.Ty máš problém
v tom že někdo to udělá za prachy za Tebe a Ty to jako---by vydáváš za svoji práci.
To ale Ti staří Pardové WEBÚ znají.Tobě se taky strhl stahovák spojky.Jak jsi to vyřešil???
Napiš.A nestěžuj si.Tor.
Uživatelský avatar
Tor158
Příspěvky: 571
Registrován: pát 12. pro 2014 19:42:45

Re: CDI

Příspěvek od Tor158 »

Tora žádní Američtí inženýři nezajímají.Nebo rychlokvašený polistopadový,To už
vubec ne.Tady jsou zápaly ve vztahu k vašemu stavu magneta.Když to pochopíte
nebude Vám to brblat.Popřípadě vysvětlím.Tor.
Přílohy
Diagram.jpg
Uživatelský avatar
Tor158
Příspěvky: 571
Registrován: pát 12. pro 2014 19:42:45

Re: CDI

Příspěvek od Tor158 »

NO a ještě jsi nepochopil jednu věc. Když byl někde podepsán Diplomovaný technik,
tak to fungovalo.Dneska je to každej blbec.TOR.
Uživatelský avatar
j-z
Administrátor
Příspěvky: 785
Registrován: ned 06. črc 2014 13:47:50
Kraj: Hlavní město Praha
Počet motokol: 1
Fotky: http://www.motokolari.cz/app.php/gallery/album/4

Re: CDI

Příspěvek od j-z »

Takový vášně k vůli pár kablům. :lol:
P.S. Tor je zkrátka Tor. Je ho třeba brát takového, jaký je. Ostatně to platí pro všechny, jsme přeci jeden tým. :ugeek:
j-z (Jiří) | admin@motokolari.cz
Ne všemu rozumím, ale vždy rád poradím
Martin
Příspěvky: 70
Registrován: stř 09. črc 2014 17:00:33
Kraj: Zlínský
Počet motokol: 1

Re: CDI

Příspěvek od Martin »

Tor já jsem ladil a doladil jen bych chtěl si dát zapalování takové aby bylo opravdu přesné na předstih jako třeba když bývají kladívka nebo jak u babety je snímač Hú atd. popř.možnost seřizování předstihu u kitu motoru jsem musel vychytávat předstich za běhu a seřídit stator s rotorem mezeru mezi sebou tak aby to vůbec čistě jelo
Uživatelský avatar
Tor158
Příspěvky: 571
Registrován: pát 12. pro 2014 19:42:45

Re: CDI

Příspěvek od Tor158 »

Martin píše:Tor já jsem ladil a doladil jen bych chtěl si dát zapalování takové aby bylo opravdu přesné na předstih jako třeba když bývají kladívka nebo jak u babety je snímač Hú atd. popř.možnost seřizování předstihu u kitu motoru jsem musel vychytávat předstich za běhu a seřídit stator s rotorem mezeru mezi sebou tak aby to vůbec čistě jelo
Velmi správně.Pochopil jsi, že potřebuješ z magneta při určitých otáčkách co nejvyšší napětí.
O tom je ten obrázek s křivkamiA0-A3.Je třeba tedy seřídit axiální a radialní odchylky
magnetu od statoru.Celé magneto seřídit včetně J-Z drátku.Někdo muže mít i špatný izol
stav nebo mezizávitový zkrat.Normálně to nepozná.Může být i slabý magnet/má magnetický zkrat/ nebo
to stejné na statoru.Potom je B nízké.

U=BLV /Napětí U=Magnetická indukce B x počet závitů L x rychlost otáčení V.
Jak je MAG seřízen takové je B.
Takže když dobře, tak je zápal na A0.Od toho se vše odvíjí.
Co do CDI pustíme,takové to potom je.Tor. :)
Martin
Příspěvky: 70
Registrován: stř 09. črc 2014 17:00:33
Kraj: Zlínský
Počet motokol: 1

Re: CDI

Příspěvek od Martin »

Tor já momentálně jezdím na orig.zapalování ale jak jsem psal chci prostě dokonalejší zapalování co je to tvoje a jak vypadá měl bys i na prodej?
Uživatelský avatar
Tor158
Příspěvky: 571
Registrován: pát 12. pro 2014 19:42:45

Re: CDI

Příspěvek od Tor158 »

Časem nějaký kousek vyrobim.Teď mám, ale bohužel jiné akce.
Takhle vypadá.
A ještě inspirace Z roku 1975.Od toho se vše odvíjí.
Takže nic nového.Jenom poupravené.Jak tady nebo v zahraničí.Tor.
Přílohy
T zapalování.jpg
DSCN1190.JPG
DSCN1184 – kopie.JPG
petr2M
Příspěvky: 117
Registrován: stř 26. lis 2014 11:41:40
Kraj: Moravskoslezský
Počet motokol: 1
Fotky: http://petr2m.rajce.idnes.cz/

Re: CDI

Příspěvek od petr2M »

Jenom pro zajímavost - jak vypadá CDI v reálu - jak chodí předstih s otáčkami.
https://www.youtube.com/watch?v=4GgF8-ToopI

Tor doplní o schema stroboskopu s Led.Kdo je šikovný tak si
ho postaví a seřídí si motor.Hned bude vědět na čem je.Tor.
Přílohy
Stroboskop.jpg
Uživatelský avatar
Tor158
Příspěvky: 571
Registrován: pát 12. pro 2014 19:42:45

Re: CDI

Příspěvek od Tor158 »

Detail lineárního zapalování.Možnost nastavit bod zážehu a velikost kondenzátoru.Finální verze.
Existuje několik modifikací,včetně omezování křivky.

Dole pro laboranty- inspirace.Zapalování se snímačem.Tor.
Přílohy
Zapalování.jpg
Detail.JPG
Martin
Příspěvky: 70
Registrován: stř 09. črc 2014 17:00:33
Kraj: Zlínský
Počet motokol: 1

Re: CDI

Příspěvek od Martin »

Tor pro mne je to spanelska vesnice kde jak zapojit barva drátu atd.
Uživatelský avatar
Tor158
Příspěvky: 571
Registrován: pát 12. pro 2014 19:42:45

Re: CDI

Příspěvek od Tor158 »

Martin píše:Tor pro mne je to spanelska vesnice kde jak zapojit barva drátu atd.
Je to jednoduché.Černý a modrý na magneto/černý a červený k externí cívce.Černý je kostra kola.
Červený -teplý konec primáru zapalovací civky.VN pálí proti kostře(černý).TOR.
Martin
Příspěvky: 70
Registrován: stř 09. črc 2014 17:00:33
Kraj: Zlínský
Počet motokol: 1

Re: CDI

Příspěvek od Martin »

jestli jsem to zprávně pochopil tak máš tam ještě dodělaný snímač horní úvrati nebo jsi to nějak vytvořil z origoš magneta? a ta část co je v té krabiččce je i toto schema kromě magneta a indukční cívka jaká?
Uživatelský avatar
Tor158
Příspěvky: 571
Registrován: pát 12. pro 2014 19:42:45

Re: CDI

Příspěvek od Tor158 »

Martin píše:jestli jsem to zprávně pochopil tak máš tam ještě dodělaný snímač horní úvrati nebo jsi to nějak vytvořil z origoš magneta? a ta část co je v té krabiččce je i toto schema kromě magneta a indukční cívka jaká?
To schema je inspirace kdo si to chce udělat ze snímačem.Mechanika je na každém
jak to zvládne.Chodí mi to,ale neni to tak jednoduché jak to vypadá.
To na obrázku je klasické CDI s napěťově řízeným zápalem.Klasika.
Jenom odzkoušené ,elektricky upravené a hlavně otestované na přístrojích a motoru.
Civka muže být použitá v podstatě jakákoli na 2T.Důležité je zapojení primáru, aby
se magnetovalo souhlasně.Každý ocení nastavení zápalu a nastavení kondenzátoru.Je to
na originál MAG.
Je zpracovaná dokumentace,plošný spoj,osazovák součástek a legenda.Tor.
Uživatelský avatar
Tor158
Příspěvky: 571
Registrován: pát 12. pro 2014 19:42:45

Re: CDI

Příspěvek od Tor158 »

Maximálně zjednodušené funkční zapalování pro motor se snímačem.
Námět pro bastlíře.Posouvá i předstih.Počáteční zápal se nastaví
polohou snimače.
Přílohy
00001.jpg
marek

Re: CDI

Příspěvek od marek »

jo tajemná bílá krabička ! takhles to myslel ty předlistopadový vědče !
cos na tom ty sám vymyslel, když je to stará věc?
oravdu vymakaný:)))))

no zasměju se
Uživatelský avatar
Tor158
Příspěvky: 571
Registrován: pát 12. pro 2014 19:42:45

Re: CDI

Příspěvek od Tor158 »

Neotravuj vzduch svojí ublížeností.Radši popiš veřejnosti jak to pracuje.Krok za
krokem.Ať každý pochopí činnost zapalování a doplň hodnoty součástek.Můžeš
přidat i jak udělat snimač a jak to posouvá předstih.Tak do toho.!!Jinak je to
agresivní a nenávistný výkřik.Nepiš, že si to koupíš.Tak znovu.Do toho!!!.
Jinak neotravujWEB!
Uživatelský avatar
Tor158
Příspěvky: 571
Registrován: pát 12. pro 2014 19:42:45

Re: CDI

Příspěvek od Tor158 »

Na prvním obrázku je zápal Z4c(Původní v sadě Čína)Na druhém n17C
Jasně je vidět že Z4C trpí většímy zákmity a čistota zápalu není
jako N17c.Holt děláme i dobré svíčky(Brisk)Když se to dá do válce
tak to při tlaku dělá na naši BA-95 divy.Na Čínu to moc nejede.
A zahraniční svíčky NGK??.Každá je jiná!!Takže neplatí pravidlo
co je zahraniční je super.Použito externí Torovo zapalování.Tor.
Přílohy
N17c.JPG
Z4c.JPG
Uživatelský avatar
Tor158
Příspěvky: 571
Registrován: pát 12. pro 2014 19:42:45

Re: CDI

Příspěvek od Tor158 »

Po doladění zapalování jsou pryč i zákmity na N17c.Naprosto čistý
zápal.Opravdu velmi kvalitní Česká svíčka.Taky to dobře jede.
Zapalování ze sady produkuje plno parazitních zápalů.Tak aby jste
věděli jak to je.Tady je důkaz.Takže se nenechte oblbnout
reklamou nebo internetovými magory.Tor.
Přílohy
N17C.JPG
Uživatelský avatar
Tor158
Příspěvky: 571
Registrován: pát 12. pro 2014 19:42:45

Re: CDI

Příspěvek od Tor158 »

Zapalování Tor v akci.Jede báječně.Opravdu to jede skvěle Zatím v testování.
Je tam ještě staré zapalování jako studená záloha.Tor. :D
Přílohy
Zap 2 (1).JPG
Zap 2 (1).JPG (167.87 KiB) Zobrazeno 85799 x
Zap 2 (2).JPG
Uživatelský avatar
Tor158
Příspěvky: 571
Registrován: pát 12. pro 2014 19:42:45

Re: CDI

Příspěvek od Tor158 »

Zkušenosti z testováním zapalování Tor 4

Positiva:
1) Zcela citelný nárůst výkonu
2) Rychlá akcelerace(motor jde prudce nahoru za plynem)
3) Stabilní běh(i na velmi nízkých otáčkách)
4) Snížení vibrací
5) Motor naskakuje okamžitě(stačí do kola jenom strčit).
6) Ostrý zvuk motoru(jako letecký modelářský motor).
) Jede to
Negativa nebyla zjištěna.Snad jenom to, že se dá motor lehce
přetočit na rovině.
Nastavení pro každou kubatůru je různé(logické)
Kdo má nastavenou špatně směs nebo netěsnosti,tak mu to
nepomůže.Tor.
Návštěvník

Re: CDI

Příspěvek od Návštěvník »

Zdravim, nemohl by jsi prihodit link na podrobny seznam soucastek k sestrojeni vyse popisovaneho zapalovani, dekuji za kladne vyrizeni.
Uživatelský avatar
Tor158
Příspěvky: 571
Registrován: pát 12. pro 2014 19:42:45

Re: CDI

Příspěvek od Tor158 »

Host píše:Zdravim, nemohl by jsi prihodit link na podrobny seznam soucastek k sestrojeni vyse popisovaneho zapalovani, dekuji za kladne vyrizeni.
Asi jsi to dobře nepochopil.Link jako takový neexistuje.Zapalování je original Tor158
respektive Tor4z(verze).Vzniká verze Tor5z.Objevila se celkem nepraktičnost, při
nastavování prvků.Chce to nahodit na stojánku a hrubě nastavit.Vyrazit a za jízdy
seřídit.Takže to budu muset nějak mechanicky předělat, aby to šlo za jízdy nastavit.
Jinak je to oproti černé krabičce nesrovnatelné.Prostě jede bezvadně i 65cm.
S tím motorem mají lidi nejvíce problémů.Chce to prostě nastavit předstih a
trysku.Zatím jsou v provozu 4 kusy.Tak uvidíme.No,a k nám snad nějak ani nepatříš.?
Jseš jako Host????.Tak nevim.Tor. ;)
Brdynek
Příspěvky: 81
Registrován: pon 28. črc 2014 10:13:00

Re: CDI

Příspěvek od Brdynek »

nevím, proč se neukázal můj nick, jinak jsem registrovaný uživatel Brdynek, ale děkuji za odpověď
Uživatelský avatar
Tor158
Příspěvky: 571
Registrován: pát 12. pro 2014 19:42:45

Re: CDI

Příspěvek od Tor158 »

Brdynek píše:nevím, proč se neukázal můj nick, jinak jsem registrovaný uživatel Brdynek, ale děkuji za odpověď
Aha,asi jses nepřihlásil.Takže stav je zatím testovací.Uvidíme co se podělá.Zatím nic.
Ty černé krabičky jsou nastaveny na kompromis,takže je snad každému jasné, že
každá kubatura potřebuje jiný předstih a každý má jinou bohatost směsi.Palivo
hoří u každého jinak.Nemluvě o poměru oleje a benzínu.Kdyby to, ale prodejce
prodával štelovatelné- tak by se asi z neoprávněných reklamací zbláznil.Tak uvidíme.Tor. :) ;)
Uživatelský avatar
j-z
Administrátor
Příspěvky: 785
Registrován: ned 06. črc 2014 13:47:50
Kraj: Hlavní město Praha
Počet motokol: 1
Fotky: http://www.motokolari.cz/app.php/gallery/album/4

Re: CDI

Příspěvek od j-z »

KnowHow je KnowHow ... Ale my jsme jedna rodina :-)
Já taky dělám tenhle web jen pro radost. Takže Tore, pokud to není jaderné tajemství, klidně se pochlub do detailu :-)
Samozřejmě to je ale jen a jen Tvoje věc :P
j-z (Jiří) | admin@motokolari.cz
Ne všemu rozumím, ale vždy rád poradím
Uživatelský avatar
Tor158
Příspěvky: 571
Registrován: pát 12. pro 2014 19:42:45

Re: CDI

Příspěvek od Tor158 »

j-z píše:KnowHow je KnowHow ... Ale my jsme jedna rodina :-)
Já taky dělám tenhle web jen pro radost. Takže Tore, pokud to není jaderné tajemství, klidně se pochlub do detailu :-)
Samozřejmě to je ale jen a jen Tvoje věc :P
No s tou rodinou bych to tak neviděl.Jsou tu různé zájmy komerční ,motorkářské a jiné.
Pokud se někde něco dobrého objeví, tak se to okamžitě někdo pokusí zpeněžit ,nebo
se objeví různí kopírovači, kteří to nakopírují třeba na zahraniční WEB pod svým Nickem.(stalo se)
Kdo s tím nemá zkušenosti tak to stejně nemuže postavit.Potřebuje k tomu spoustu věcí.
Třeba práci v grafickém editoru EAGLE,výrobu plošného spoje a zkušenosti z výrobou
elektronického zařízení.Prostě KnowHow ze vším všudy.To se dokonce nedá ani koupit.
Takže to nějak časem zvážim.Možná hotový výrobek nebo stavebnice.Je to celkem primitivní
zapojení,ale dá to od myšlenky k vývoji a odzkoušení dost práce.Kdyby tady aspoň byl nějaký
partner s kterým se dá rozumně technicky o tom diskutovat.Zvážim To.Tor. ;) :)
Uživatelský avatar
invalida
Příspěvky: 20
Registrován: sob 21. bře 2015 12:47:23
Kraj: Jihočeský
Počet motokol: 1

Re: CDI

Příspěvek od invalida »

Ano, mohu potvrdit, v drevnich dobach jsem vymyslel zapalko pro Simsona, ktere neomezovalo otacky a vyrabel z cenu materialu kamaradum do doby, nez se mne jeden clovek dotazal proc s tim laboruji, kdyz to lze koupit levneji (tehda vyroba z kradenych soucastek nekde z fabriky)
Uživatelský avatar
Tor158
Příspěvky: 571
Registrován: pát 12. pro 2014 19:42:45

Re: CDI

Příspěvek od Tor158 »

invalida píše:Ano, mohu potvrdit, v drevnich dobach jsem vymyslel zapalko pro Simsona, ktere neomezovalo otacky a vyrabel z cenu materialu kamaradum do doby, nez se mne jeden clovek dotazal proc s tim laboruji, kdyz to lze koupit levneji (tehda vyroba z kradenych soucastek nekde z fabriky)
Já bych to řekl takhle.Když na to máš,tak si postavíš zapalování s kterým to jede.
Takže laborování je vývoj.Ten Tvůj kamarád se odsoudil do role pitomce, kterýmu
dají všechno sežrat.Nejhorší je, že to nepozná.Těm neni pomoci.Tor. :D
Uživatelský avatar
Tor158
Příspěvky: 571
Registrován: pát 12. pro 2014 19:42:45

Re: CDI

Příspěvek od Tor158 »

Tak tady máme nový, poněkud sotisfikovanější modul zapalování s nastavením předstihu.
Trochu jsem ho zminiaturizoval.Ovládací prvky pro nastavení budou přístupné
i za jízdy.Takže bude možnost nastavit předstih za jízdy, dle své libosti.Vychází z původního
typu Tor4a, který se velmi osvědčil.Žádná porucha se nevyskytla.
Tor. :)
Přílohy
DSCN1312.JPG
Uživatelský avatar
Tor158
Příspěvky: 571
Registrován: pát 12. pro 2014 19:42:45

Re: CDI

Příspěvek od Tor158 »

Po montáži.Připraveno k použití.Tor. :D
Přílohy
Tor4b.JPG
Uživatelský avatar
Tor158
Příspěvky: 571
Registrován: pát 12. pro 2014 19:42:45

Re: CDI

Příspěvek od Tor158 »

Ještě jeden obrázek.Tor. :D
Přílohy
Tor4b-2.JPG
Uživatelský avatar
Tor158
Příspěvky: 571
Registrován: pát 12. pro 2014 19:42:45

Re: CDI

Příspěvek od Tor158 »

Zapalování na osciloskopu.Základní předstih.Mechanický a elektrický.Tor4b.Tor.
Přílohy
Zápal 4.JPG
Uživatelský avatar
Tor158
Příspěvky: 571
Registrován: pát 12. pro 2014 19:42:45

Re: CDI

Příspěvek od Tor158 »

Takhle to přidává automaticky předstih při zvyšování otáček.
Přílohy
Zápal 2.JPG
Odpovědět